HER EX
Article Number: 2D: 92.096 173.xxx; 3D: 92.096.606.xxx
- Alu housing
- Brass roller Ø 50 mm
- Adjustable prewarning
- without latching
Features
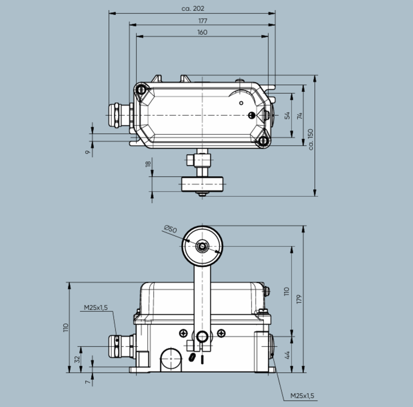
The HER EX limit switches are used to monitor the end position of moving machine parts. With at least two switching points, a signal can be used for a pre-warning. The HER EX limit switches are suitable for use in transportation, conveying, loading and mixing systems for bulk materials and are intended for use in fixed installations. In the installation position, they are triggerd from one side. The KIEPE limit switches Type HER EX are suited for use in ex plosive atmosphere with conductive dust, Group II, category 2 , in zone 21 and 22 (Type HER EX 2D) or categorie 3, only in zone 22 (Type HER EX 3D). The Kiepe limit switch Type HER EX complies with the ATEX Directive 2014/34/EU and meets the safety objectives of the Low Vol-tage Directive 2014/35/EU and IECEx. The switch Type HER EX features a robust aluminum housing and is equipped with up to 4 force-actuated changeover contacts with snap-action function with two settable swit ching points.
Note: The limit switch must only be used in electrical control circuits
Corrosive
- Powder
- Gravel
- Rubble
Non-Corrosive
- Powder
- Gravel
- Rubble
The limit switch type HER EX operates when the actuating roller is approached and deflected by the machine part in the direction of rotation of the roller lever. The switching angle can be set for each switching contact by means of an adjustable cam roller. In addition to the safety cut-out, this also enables an advance warning to be realized. When the machine part is reset, the roller lever returns automatically.
| Designation | Limit Switch Type HER EX |
|---|---|
| Type of actuation | Bidirectional (double-side) via roller lever |
| Complies with | EN 60947-5-1; EN IEC 60079-31; (EN IEC 60079-0) |
| Suited for | Control units in accordance with DIN EN 60204-1 |
| Device group / device category | II/ 2D, 3D; flammable, conductive dust |
|---|---|
| Type of protection | Protection through housing |
| for Zone 21,22 HER EX II 2D | EX II 2D Ex tb IIIC T85°C Db IP67 |
| for Zone 22 HER EX II 3D | EX II 3D Ex tc IIIC T85°C Dc IP67 |
| Certificates | EPS 12 ATEX 1 479 X, IECEx EPS 14.0040X |
| Enclosure | Aluminum |
|---|---|
| Coating | PU 2K-paint; Enclosure – yellow (RAL 1004) |
| Actuating lever | Brass |
| Mounting | +/- 75° |
| Deflection of roller lever (max.) | 2 x M8 |
| Weight | 1.9kg |
| Switching system (max.) | 4 SPDT (snap action) positive-opening switches |
|---|---|
| Switching range | 2x 12,5°, adjustable +/-10° 2x 18°, fix |
| Cable entry (included in scope of delivery) | 2 x M25 x 1,5 with red transport lock 1x screwed cable gland: sealing area ∅ 10 mm to ∅ 17 mm; 1x dummy screw |
| Utilization category | AC-15: 230V ; 1,5A DC-13: 60V; 0,5A DC-13: 24V; 2A |
| Connection cross section (max.) | 2,5 mm2 |
| Protective conductor connection | Protection Class I / protective earthing |
| Potential equalization connection | Enclosure / Cover |
| Rated insulation voltage Ui | 250 V |
| Rated impulse withstand voltage Uimp | 2.5 kV, Overvoltage category II, degree of polution 3 |
| Conventional thermal current Ith | 6 A |
| Permissible ambient temperature | –25 °C …+70 °C |
|---|---|
| Protection rating (according to EN 60529) | IP 67 |
| Contact reliability at AC-15 230V, 1.5 A | >30.000 operations bei 100% Ie |
|---|
The limit switch HER EX 1 is fastened to a substructure with 2 M8 screws each. It can be mounted on the ends of transport systems. Devices on the transport trolleys actuate the limit switches upon reaching the end of the transport path. (Re commended geometry of the approach setting max. 45°3 ) The roller lever is interchangeable and can be freely fixed on the switch axis. The switching points are cam-controlled and adjustable. 2 The electrical connection is made when the device is open via the cable gland included in the scope of delivery directly to the connection glands of the switching elements.
Note:
The red transport locks must be completely removed and replaced with the supplied screw plugs. For protection against electrostatic discharge HER EX is provi ded with conductive compounds and external potential equa lization connections, to which a minimum of 4 mm2 potential equalization cable must be connected directly to the system. All connections must be checked regularly in accordance with the operation instructions.

Variants
| Name | Ordering No. | Weight | ATEX Zone | Approvals | Contacts NC NO SPDT |
|---|---|---|---|---|---|
| HER EX 606 2D | 92.096 173.606 | 2 kg / 1 Unit | 21 & 22 EX II 2D | ATEX , IEC Ex | 2 (Au) |
| HER EX 606 3D | 92.096 606.606 | 2 kg / 1 Unit | 22 EX II 3D | ATEX , IEC Ex | 2 (Au) |
You have a question? We are here for you!
We are looking forward to hearing from you. We are happy to advise you and help you with the selection of the right product.

