VG - Misalignment Switch IP67
Article Number: 95.038 143.xxx
Old Article Number: 92.038 143.xxx
- Alu-housing
- Plastic roller Ø 25 mm
- IP67
Features
Kiepe belt misalignment switches VG are used in conveyor systems to monitor the belt misalignment of continuous conveyors in accordance with the requirements of EN 620. They are used to protect the system against damage or destruction in case of belt misalignment and are installed in pairs on both sides of the upper or lower run in areas at risk. The Kiepe belt misalignment switch type VG is compliant with the Low Voltage Directive 2014/35/EU and UKCA conformity is available. It has a robust aluminum housing and can be equipped with up to 2 NC contacts and 2 NO contacts with snap-action function. Depending on the variant, up to 2 fixed switching points are possible. The VG belt misalignment switches are used in systems with harsh operating conditions, e.g. in: loading, mixing and transportation systems for bulk materials; metallurgical plants, steelworks and foundries; construction and woodworking machines; sewage treatment plants.
Note The belt misalignment switch may only be used in control circuits.
Corrosive
- Powder
- Conditionally Suitable
- Gravel
- Conditionally Suitable
- Rubble
- Not Suitable
Non-Corrosive
- Powder
- Suitable
- Gravel
- Suitable
- Rubble
- Not Suitable
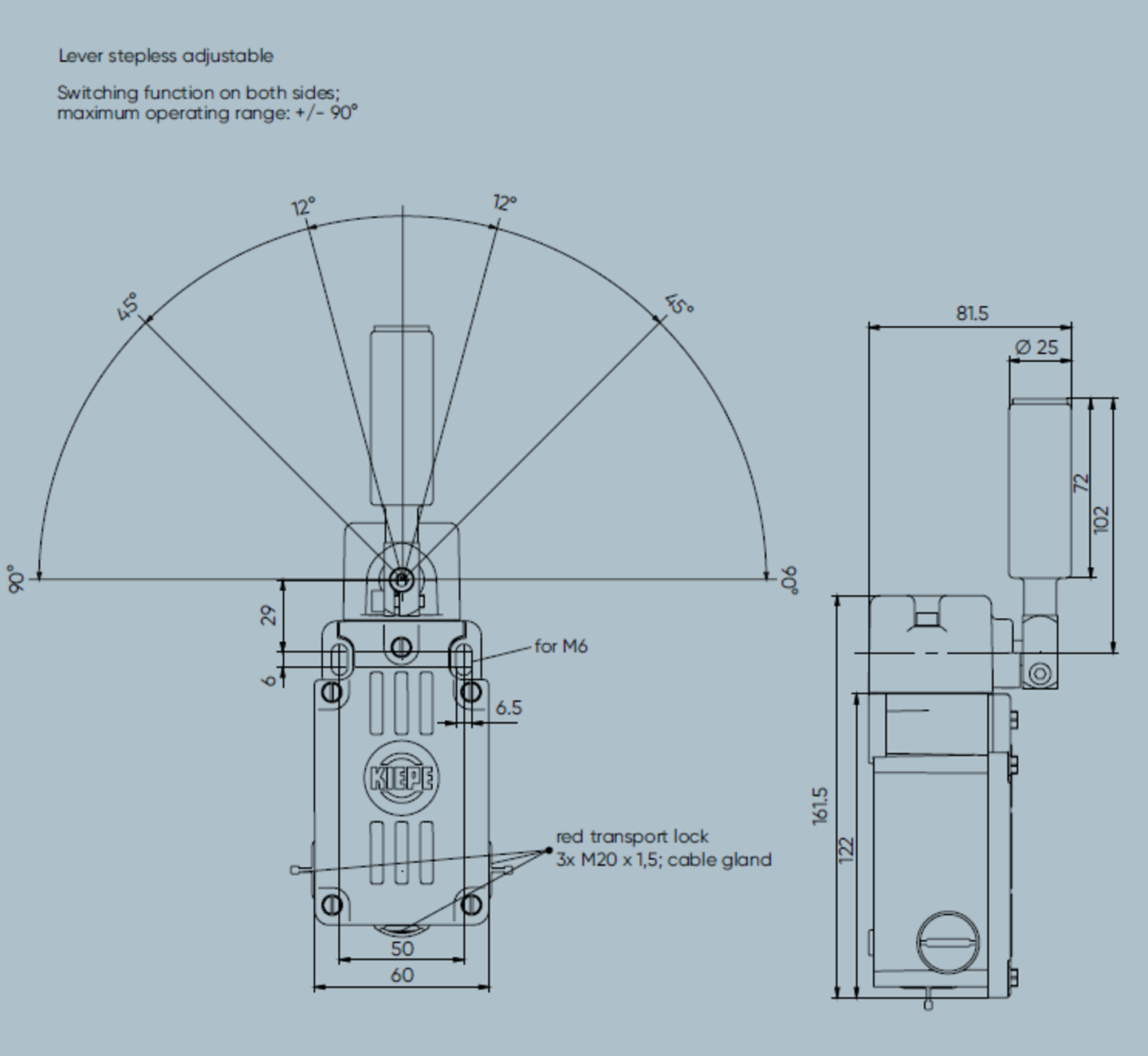
The misalignment switch type VG switches when the actuating roller is approached and deflected by the misaligned conveyor belt in the direction of rotation of the roller lever. The actuating roller is made of polyamide. The switching angles are fixed. The switching point for all switch types is approx. 12° deflection. Switch variants with pre-warning have two switching points at approx. 12° and 45°. This means that a pre-warning can be realized in addition to the safety shutdown. When the belt runs correctly, the roller lever resets automatically. The switches of types VG .../6 engage when the permissible deflection is exceeded. Unlocking is achieved on site by resetting the actuating roller.
| Designation | Misalignment Switch Type VG |
|---|---|
| Type of actuation | Bidirectional (double-acting) via roller lever |
| Complies with | DIN EN 60947-5-1 |
| Suited for | Control units in accordance with DIN EN 60204-1 |
| Enclosure | Aluminium |
|---|---|
| Coating | PU 2K-paint yellow, RAL 1004 |
| Actuating lever | PA, ∅ 25mm |
| Mounting | 2 x M6 |
| Deflection of roller lever (max.) | +/-90° |
| Weight | 0,75 kg |
| Switching system (max.) | 2 SPDT (snap action) |
|---|---|
| Switching range | 12° + 42° (depending on variant), fix |
Cable entry (included in scope of delivery) | 3x M20 x1,5 1x PA cable gland: sealing area ∅ 6 mm to ∅ 12 mm; 2x dummy screw |
| Utilization category | AC-15: 250 V; 0,75 A DC-13: 125V; 0,22 A DC-13: 24 V; 2 A |
| Connection cross section (max.) | 2 mm2 |
| Protective conductor connection | Protection Class I / protective earthing |
| Rated insulation voltage Ui | 500 V |
| Rated impulse withstand voltage Uimp | 4 kV, Overvoltage category III, degree of pollution 2 |
| Conventional thermal current Ith | 2,5 A |
| Permissible ambient temperature | – 25°C… +70°C |
| Protection rating (according to EN 60529) | IP65 / IP66 / IP67 |
| Contact reliability | > 30.000 actuations at 100% Ie |
Misalignment switches of type VG [1] are fastened in pairs to a substructure with 2 M6 screws each. In the event of misalignment, the belt [2] must not leave the lateral support rollers [3]. The position of the belt misalignment switches must be selected so that the actuating roller of the belt misalignment switch is preferably approached vertically by the belt [2] . During normal operation, the actuating roller of the belt misalignment switch is not touched. The roller lever is interchangeable and can be freely fixed in the directions of rotation on the switch axis. The head with the roller lever can also be mounted in 90° steps on type VG. This provides more positioning options. The electrical connection is made when the device is open via the cable gland included in the scope of delivery directly to the connection glands of the switching elements.
Note The red transport locks must be completely removed and replaced with the supplied screw fittings.

Variants
| Name | Ordering No. | Weight | Contacts NC NO SPDT | Pressure Equalization | Latching | Pre Alarm |
|---|---|---|---|---|---|---|
| VG 03/5 | 95.038 143.501 | 0.8 kg / 1 Unit | 1 1 | |||
| VG 033/5 | 95.038 143.511 | 0.8 kg / 1 Unit | 2 2 | |||
| VG 133/5 Stainless steel roller, long | 95.038 143.516 | 0.9 kg / 1 Unit | 2 2 | 12° | ||
| VG 03/6 | 95.038 143.601 | 0.7 kg / 1 Unit | 1 1 | 15° | ||
| VG 033/6 | 95.038 143.611 | 0.9 kg / 1 Unit | 2 2 | 15° | ||
| VG 133/6 | 95.038 143.615 | 0.9 kg / 1 Unit | 2 2 | 45° | 12° | |
| VG 133/63 | 95.038 143.665 | 0.8 kg / 1 Unit | 2 2 | Available | 45° | 12° |
Downloads
You have a question? We are here for you!
We are looking forward to hearing from you. We are happy to advise you and help you with the selection of the right product.
