HER
Article Number: 92.064 544.xxx
- Alu-Gehäuse
Features
The HER limit switches are used to monitor the end position of moving machine parts. With at least two switching points, a signal can be used for a pre-warning. The HER limit switches are suitable for use in transportation, conveying, loading and mixing systems for bulk materials and are intended for use in fixed installations. In the installation position, they are triggerd from one side. The Kiepe limit switch type HER is compliant with the Low Voltage Directive 2014/35/EU and UKCA conformity is available. It has a robust aluminum housing and can be equipped with up to 4 positively actuated changeover contacts with snapaction function. It has two adjustable switching points.
Note The limit switch may only be used in control circuits.
Corrosive
- Powder
- Suitable
- Gravel
- Suitable
- Rubble
- Conditionally Suitable
Non-Corrosive
- Powder
- Suitable
- Gravel
- Suitable
- Rubble
- Conditionally Suitable
The limit switch type HER operates when the actuating roller is approached and deflected by the machine part in the direction of rotation of the roller lever. The switching angle can be set for each switching contact by means of an adjustable cam roller. In addition to the safety cut-out, this also enables an advance warning to be realized. When the machine part is reset, the roller lever returns automatically.
| Designation | Limit Switch Type HER |
|---|---|
| Type of actuation | Bidirectional (double-acting) via roller lever |
| Complies with | DIN EN 60947-5-1 |
| Suited for | Control units in accordance with DIN EN 60204-1 |
| Enclosure | Aluminium |
|---|---|
| Coating | PU 2K-paint yellow, RAL 1004 |
| Actuating lever | Aluminium, Roller: brass |
| Mounting | 2 x M8 |
| Deflection of roller lever (max.) | +/-75° |
| Weight | 1.9 kg |
| Switching system (max.) | 4 SPDT (snap action) positive-opening switches, self-cleaning |
|---|---|
| Switching range | 2 x 12,5°, adjustable +/-10° 2 x 18° fix |
Cable entry (included in scope of delivery) | Threaded holes 2x M25x1,5 with each 1x screwed cable gland: sealing area ∅ 9 mm to ∅ 17 mm; 1x dummy screw |
| Utilization category | AC-15: 230 V; 1.5 A DC-13: 60 V; 0.5 A DC-13: 24 V; 2 A |
| Connection cross section (max.) | 2,5 mm2 |
| Protective conductor connection | Protection Class I / protective earthing |
| Rated insulation voltage Ui | 250 V |
| Rated impulse withstand voltage Uimp | 2.5 kV, Overvoltage category II, degree of pollution 3 |
| Conventional thermal current Ith | 6 A |
| Permissible ambient temperature | – 25°C… +70°C |
|---|---|
| Extended ambient temperature | – 40°C… +70°C (type HER 7xx) |
| Protection rating (according to EN 60529) | IP65 / IP66 / IP67 |
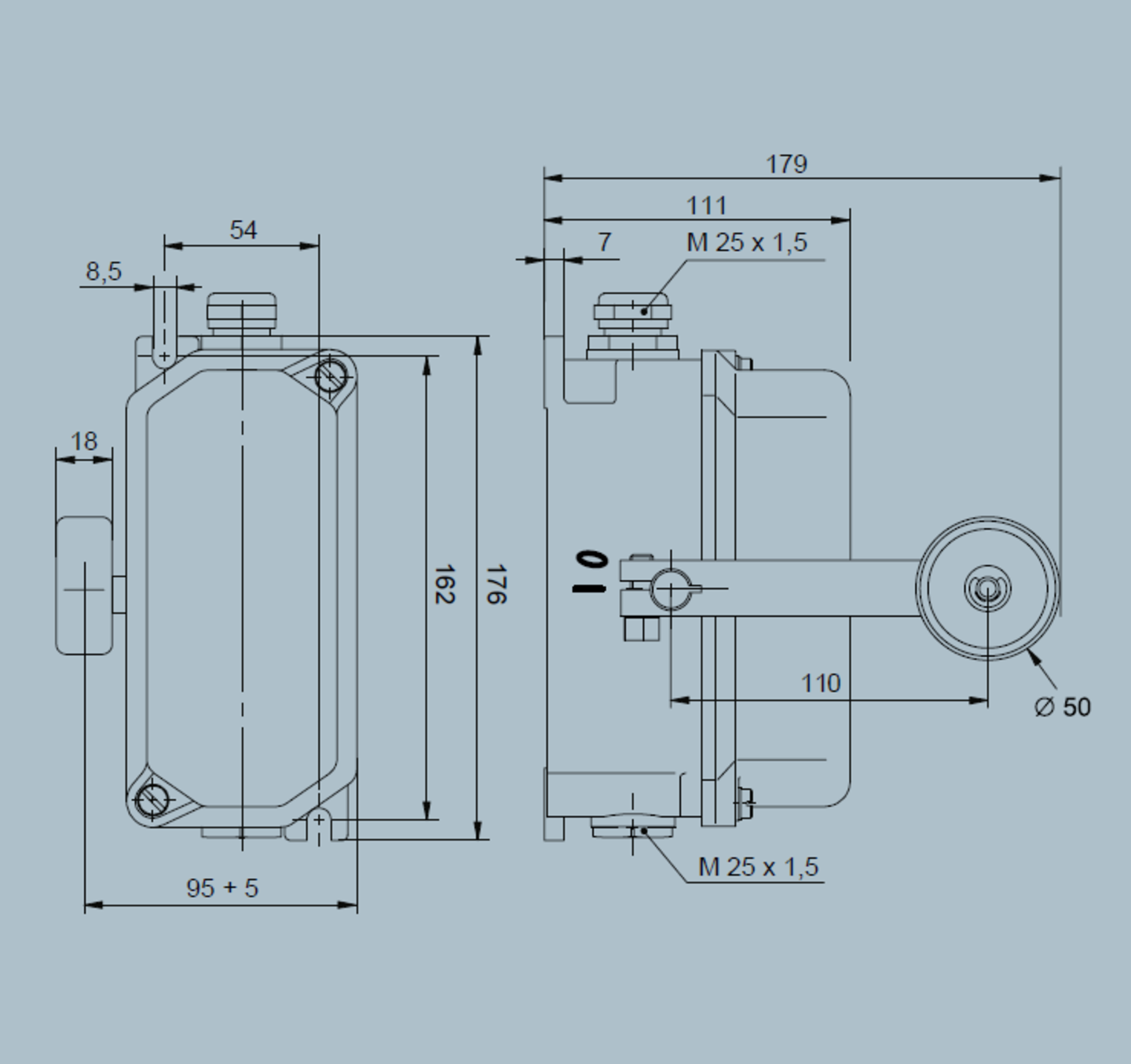
The limit switch HER [1] is fastened to a substructure with 2 M8 screws each. It can be mounted on the ends of transport systems. Devices on the transport trolleys actuate the limit switches upon reaching the end of the transport path. (Recommended geometry of the approach setting max. 45° [3] ) The roller lever is interchangeable and can be freely fixed on the switch axis. The switching points are cam-controlled and adjustable. [2] The electrical connection is made when the device is open via the cable gland included in the scope of delivery directly to the connection glands of the switching elements.
Note The red transport locks must be completely removed and replaced with the supplied screw plugs.

Variants
| Name | Ordering No. | Weight | Contacts NC NO SPDT | Actuating Lever |
|---|---|---|---|---|
| HER 606 | 92.064 544.606 | 1.6 kg / 1 Unit | 2 | Brass Roller |
| HER 706 (-40°C) | 92.064 544.706 | 1.6 kg / 1 Unit | 2 | Brass Roller |
Downloads
You have a question? We are here for you!
We are looking forward to hearing from you. We are happy to advise you and help you with the selection of the right product.

