SLR
Article Number: 92.067 323.xxx
- Duroplast-Enclosure
Features
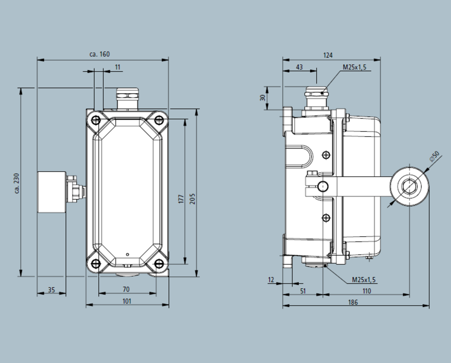
The SLR limit switches are used to monitor the end position of moving machine parts. With at least two switching points, a signal can be used for a pre-warning. The SLR limit switches are suitable for use in transportation, conveying, loading and mixing systems for bulk materials and are intended for use in fixed installations. In the installation position, they are triggerd from one side. The Kiepe limit switch type SLR is compliant with the Low Voltage Directive 2014/35/EU and UKCA conformity is available. It has a robust thermoset housing and can be equipped with up to 4 positively actuated changeover contacts with snapaction function. It has two adjustable switching points.
Note The limit switch may only be used in control circuits.
Corrosive
- Powder
- Suitable
- Gravel
- Suitable
- Rubble
- Conditionally Suitable
Non-Corrosive
- Powder
- Suitable
- Gravel
- Suitable
- Rubble
- Conditionally Suitable
The limit switch type SLR operates when the actuating roller is approached and deflected by the machine part in the direction of rotation of the roller lever. The switching angle can be set for each switching contact by means of an adjustable cam roller. In addition to the safety cut-out, this also enables an advance warning to be realized. When the machine part is reset, the roller lever returns automatically.
| Designation | Limit Switch Type SLR |
|---|---|
| Type of actuation | Bidirectional (double-side) via roller lever |
| Complies with | DIN EN 60947-5-1 |
| Suited for | Control units in accordance with DIN EN 60204-1 |
| Enclosure | Thermoplastic |
|---|---|
| Actuating lever | Aluminium, Roller: brass |
| Mounting | 4 x M8 |
| Deflection of roller lever (max.) | +/-75° |
| Weight | 2.2 kg |
| Switching system (max.) | 4 SPDT (snap action) positive-opening switches, self-cleaning |
|---|---|
| Switching range | 2x 12,5°, adjustable +/-10° 2x 18° fix |
Cable entry (included in scope of delivery) | Threaded holes 2x M25x1,5; each closed with red transport screw (1x screwed cable gland: sealing area ∅ 9 mm to ∅17mm; 1x dummy screw) |
| Utilization category | AC-15: 230 V; 1.5 A DC-13: 60 V; 0.5 A DC-13: 24 V; 2 A |
| Connection cross section (max.) | 2.5 mm2 |
| Protective conductor connection | Protection Class II / protective insulation |
| Rated insulation voltage Ui | 250 V |
| Rated impulse withstand voltage Uimp | 2,5 kV, Overvoltage category II, degree of pollution 3 |
| Conventional thermal current Ith | 6 A |
| Permissible ambient temperature | – 25°C… +70°C |
|---|---|
| Extended ambient temperature | – 40°C… +70°C (on request) |
| Protection rating (according to EN 60529) | IP65 / IP67 |
| Contact reliability | >30.000 actuations at 100% Ie |
|---|
The limit switch SLR [1] is fastened to a substructure with 4 M8 screws each. It can be mounted on the ends of transport systems. Devices on the transport trolleys actuate the limit switches upon reaching the end of the transport path. (Recommended geometry of the approach setting max. 45° [3]) The roller lever is interchangeable and can be freely fixed on the switch axis. The switching points are cam-controlled and adjustable. [2] The electrical connection is made when the device is open via the cable gland included in the scope of delivery directly to the connection glands of the switching elements.
Note The red transport locks must be completely removed and replaced with the supplied screw plugs.

Variants
| Name | Ordering No. | Weight | Actuating Lever | Contacts NC NO SPDT |
|---|---|---|---|---|
| SLR 606 | 92.067 323.606 | 2.2 kg / 1 Unit | Brass Roller | 2 |
Downloads
You have a question? We are here for you!
We are looking forward to hearing from you. We are happy to advise you and help you with the selection of the right product.

