LRS
Article Number: 93.046 690.0xx
- Robustes Aluminium Gehäuse
- Einseitige Seilzuginstallation bis zu 1x75m
- Einstellanzeige
- Integrierte Schlaffseilerkennung
- Sicherheitsbauteil nach Maschinenrichtlinie
Features
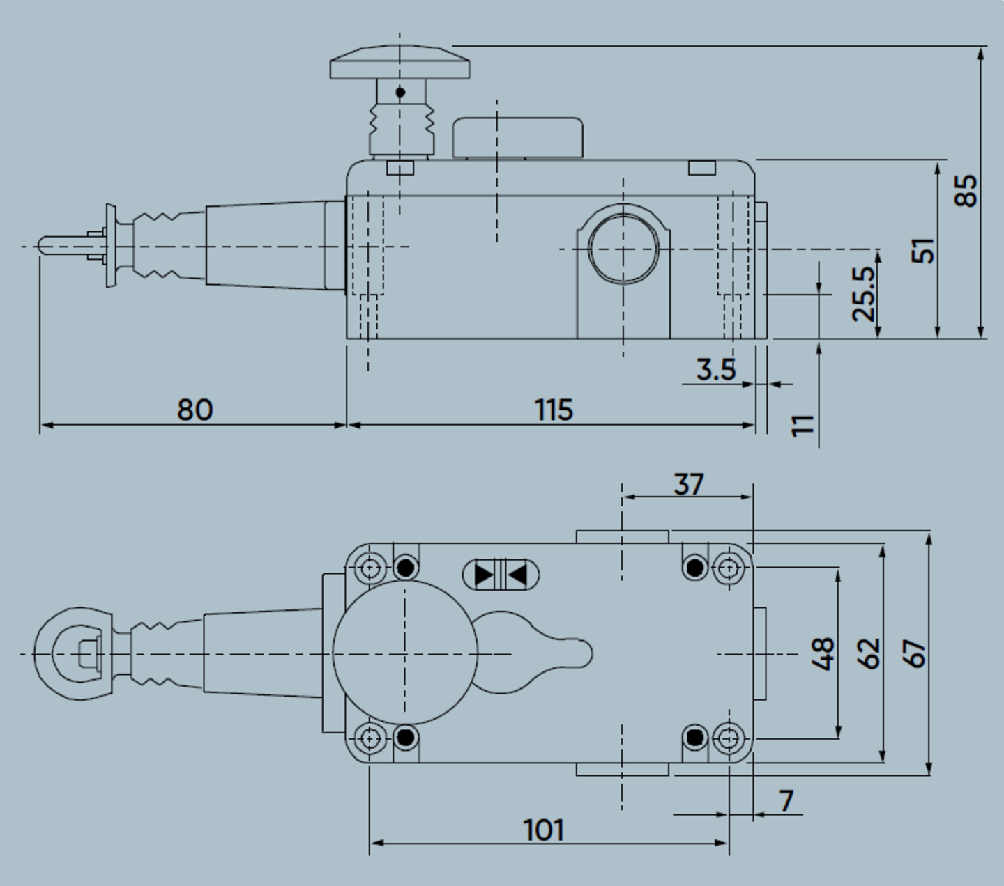
Der LRS 0xx ist nicht nur ein Seilzugnotschalter , sondern kann wegen seines zusätzlichen Not-Halt-Pilzkopf-Tasters an exponierten Stellen an der Maschine als Maschinen-Not-Halt eingesetzt werden. Er benötigt für eine ordnungsgemäße Funktion immer eine Vorspannung, um seine Arbeitspostion einzunehmen. Der LRS 0xx ist ferner nach UL und UKCA zertifiziert.
Corrosive
- Powder
- Conditionally Suitable
- Gravel
- Conditionally Suitable
- Rubble
- Not Suitable
Non-Corrosive
- Powder
- Suitable
- Gravel
- Suitable
- Rubble
- Not Suitable
Der Kiepe LRS 0xx ist ein kompakter Seilzugnotschalter mit integrierter Schlaffseilerkennung und Verrastung. Mit einem Schalter kann ein Not-Halt-Signal durch Zug oder Entspannung der Reißleine auf einer Strecke von bis zu 75m ausgelöst werden. Ein Sichtfenster im Deckel erleichtert die Kontrolle der Betriebsposition. In dieser Position kann der Schalter über den Rückstellhebel wieder zurückgesetzt werden.
Seilzugnotschalter vom Typ LRS werden mit je 4 M5 Schrauben auf der Unterkonstruktion in Einbaulage befestigt. Der elektrische Anschluss erfolgt bei geöffnetem Gerät über die im Lieferumfang enthaltene Kabelverschraubung an den Anschlussklemmen des Blocksachalters. Die Reißleine 1 wird mit der Spannfeder 2 zwischen dem Ankerhaken 3 und dem Befestigungsring des Schalters soweit gespannt, bis das Einstellanzeige mittig steht. Dies ist der Arbeitspunkt. Nur im Arbeitspunkt kann der Schalter zurückgestellt werden. Hinweis: Die Zugfedern sind für Seilsysteme mit Kiepe-Geräten bei den empfohlenen Temperaturänderungen in einer geraden Installation ausgelegt.
Variants
| Name | Ordering No. | Weight | Emergency Stop | Contacts NC NO SPDT | Adjustment Indicator |
|---|---|---|---|---|---|
| LRS 004 (UL) | 93.046 690.004 | 0.7 kg / 1 Unit | Available | 2 1 | Available |
| LRS 022 (UL) | 93.04 6 690.022 | 0.8 kg / 1 Unit | Available | 2 2 | Available |
| LRS 031 (UL) | 93.046 690.031 | 0.8 kg / 1 Unit | Available | 3 1 | Available |
Downloads
You have a question? We are here for you!
We are looking forward to hearing from you. We are happy to advise you and help you with the selection of the right product.
