HER EX
Artikelnummer: 2D: 92.096 173.xxx; 3D: 92.096.606.xxx
- Alu-Gehäuse
- Messingrolle Ø 50 mm
- Vorwarnung einstellbar
- ohne Rastung
Merkmale
Die Rollenhebel-Endschalter HER EX werden zur Endlagenüberwachung von beweglichen Maschinenteilen eingesetzt. Durch mind. zwei Schaltpunkte kann ein Signal für eine
Vorwarnung verwendet werden.Die Rollenhebel-Endschalter HER EX eignen sich für den Einsatz in Transport-, Förder-, Verlade- und Mischanlagen für Schüttgüter und sind für den Einsatz in ortsfesten Anlagen bestimmt. In der Einbauposition werden sie einseitig angefahren. Die KIEPE Endschalter Typ HER EX sind je Schaltertyp für den Einsatzbereich in explosionsfähiger Atmosphäre mit leitfähigem Staub, Gerätegruppe II, Kategorie 2 , in Zone 21 und 22 (Typ HER EX 2D) bzw. Kategorie 3, nur in Zone 22 (Typ HER EX 3D) geeignet.Der KIEPE Endschalter Typ HER EX ist konform zur ATEXRichtlinie 2014/34/EU und erfüllt die Schutzziele der Nieder spannungsrichtlinie 2014/35/EU sowie IECEx.KIEPE Schalter Typ HER EX besitzen ein robustes Aluminiumgehäuse, sind mit bis zu 4 zwangsbetätigten Wechselkontakten mit Sprungfunktion ausgestattet und haben zwei einstellbare Schaltpunkte.
Hinweis: Der Endschalter darf nur in Steuerkreisen eingesetzt werden.
Korrosiv
- Pulver
- Kies
- Geröll
Nicht korrosiv
- Pulver
- Kies
- Geröll
Der Endschalter Typ HER EX schaltet, wenn die Betätigungsrolle in Drehrichtung des Rollenhebels vom Maschinenteil angefahren und ausgelenkt wird. Der Schaltwinkel kann je Schaltkontakt durch eine einstellbare Nockenwalze eingestellt werden. Dadurch ist neben der Sicherheitsabschaltung auch eine Vorwarnung realisierbar. Bei Rückstellung des Maschinenteils stellt sich der Rollenhebel wieder selbsttätig zurück.
| Bezeichnung | Endschalter Typ HER EX |
|---|---|
| Betätigungsart | Bidirektional (zweiseitig wirkend) über Rollenhebel |
| Erfüllte Vorschriften | EN 60947-5-1; EN IEC 60079-31; (EN IEC 60079-0) |
| Geeignet für | Steuerungen und Anlagen nach DIN EN 60204-1 |
| Gerätegruppe/ Gerätekategorie | II/ 2D, 3D; brennbarer, leitfähiger Staub |
|---|---|
| Zündschutzart | Schutz durch Gehäuse |
| für Zone 21,22 HER EX II 2D | EX II 2D Ex tb IIIC T85°C Db IP67 |
| für Zone 22 HER EX II 3D | EX II 3D Ex tc IIIC T85°C Dc IP67 |
| Zertifikate | EPS 12 ATEX 1 479 X, IECEx EPS 14.0040X |
| Gehäuse | Aluminium |
|---|---|
| Beschichtung | PU 2K-Lack; Gehäuse gelb (RAL 1004) |
| Rollenhebel | Messing |
| Auslenkung Rollenhebel (max.) | +/- 75° |
| Befestigung | 2 x M8 |
| Gewicht | 1.9kg |
| Schaltysystem | bis zu 4 Wechsler (Sprungschalter), zwangsöffnend |
|---|---|
| Schaltbereich | 2x 12,5°, einstellbar +/-10° 2x 18°, fix |
| Leitungseinführung | 2 x M25 x 1,5; mit roter Transportsicherung verschlossen (1x Kabelverschraubung; Dichtbereich Ø 10mm bis Ø 17mm; 1x Verschlussschraube) |
| Gebrauchskategorie | AC-15: 230V ; 1,5A DC-13: 60V; 0,5A DC-13: 24V; 2A |
| Anschlussleitungsquerschnitt (max.) | 2,5 mm2 |
| Schutzleiteranschluss | Schutzklasse I: Schutzerdung |
| Potenzialausgleichsanschluss | Gehäuse/Deckel |
| Bemessungsisolationsspannung Ui | 250 V |
| Bemessungsstoßspannungsfestigkeit Uimp | 2,5 kV, Überspannungskategorie II, Verschmutzungsgrad 3 |
| Thermischer Dauerstrom lth | 6 A |
| Zulässige Umgebungstemperatur | –25 °C …+70 °C |
|---|---|
| Gehäuseschutzart (nach EN 60529) | IP 67 |
| Zuverlässigkeit bei AC-15 230V, 1.5 A | > 30.000 Betätigungen |
|---|
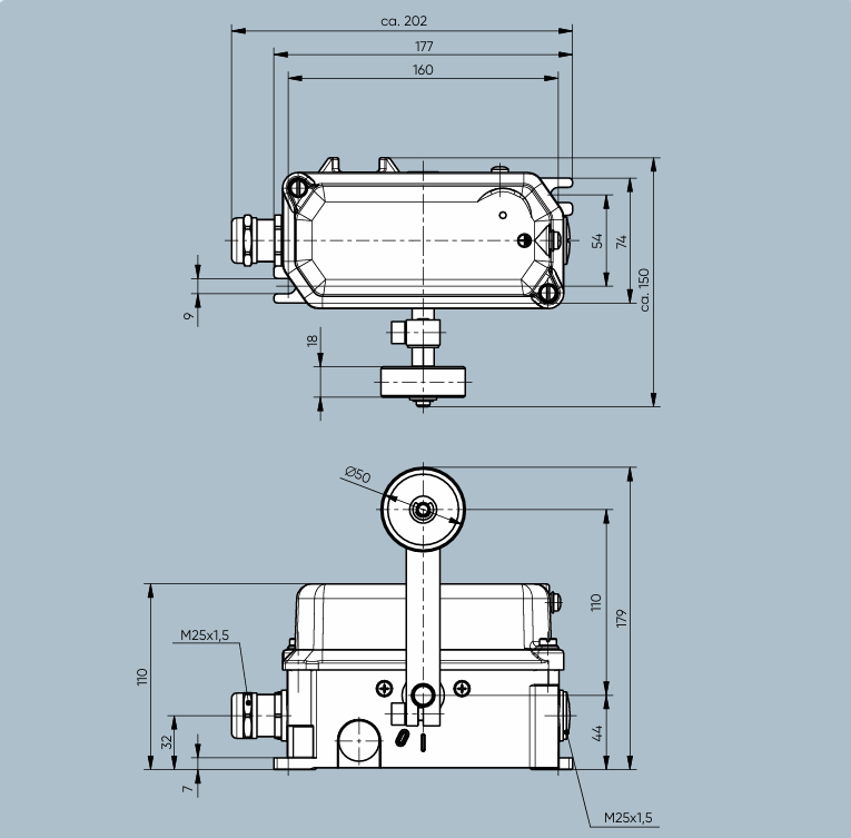
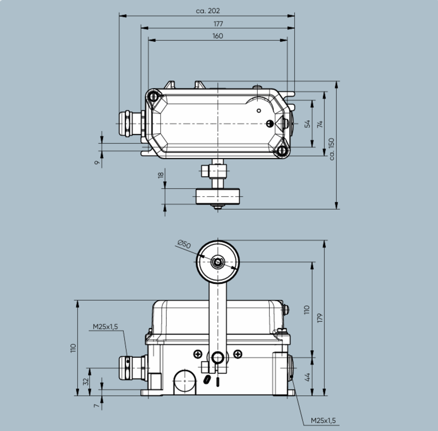
Der Endschalter HER EX 1 wird mit 2 M8 Schrauben auf der Unterkonsturkion befestigt. In der Einbauposition wird er durch bewegliche Maschinenteile angefahren. Der Anfahrwinkel der Schaltgeometrie darf 45° nicht überschreiten. 3 Der Hebel ist austauschbar und kann in den Drehrichtungen auf der Schalterachse frei fixiert werden. Die Schaltpunkte sind einstellbar. 2 Der elektrische Anschluss erfolgt bei geöffnetem Gerät über
die im Lieferumfang enthaltene Kabelverschraubung direkt an den Anschlussverschraubungen der Schaltelemente.
Hinweis:
Die roten Transportsicherungen müssen vollständig entfernt und durch die mitgelieferten Verschraubungen ersetzt werden.Zum Schutz vor elektrostatischer Entladung ist der HER EX mit leitfähigen Verbindungen und externen Potentialausgleichsanschlüssen versehen, an den eine mind. 4 mm2 Potentialausgleichsleitung unmittelbar an der Anlage angeschlossen werden muss. Alle Potentialausgleichsverbindungen müssen gemäß Betriebs anleitung regelmäßig geprüft werden.

Varianten
| Name | Bestellnr. | Gewicht | ATEX Zone | Zulassungen | Kontakte Ö S W |
|---|---|---|---|---|---|
| HER EX 606 2D | 92.096 173.606 | 2 kg / 1 Stück | 21 & 22 EX II 2D | ATEX , IEC Ex | 2 (Au) |
| HER EX 606 3D | 92.096 606.606 | 2 kg / 1 Stück | 22 EX II 3D | ATEX , IEC Ex | 2 (Au) |
Sie haben eine Frage? Wir sind für Sie da!
Wir freuen uns von Ihnen zu hören. Wir beraten Sie gerne und helfen Ihnen bei der Auswahl des richtigen Produkts.

