VG - Schieflaufschalter IP67
Artikelnummer: 95.038 143.xxx
Alte Artikelnummer: 92.038 143.xxx
- Alu-Gehäuse
- Kunststoffrolle Ø 25 mm
- IP67
Merkmale
Kiepe Schieflaufschalter VG werden gemäß den Anforderungen der EN 620 in Förderanlagen zur Band- Schieflaufüberwachung von Stetigförderern eingesetzt. Sie dienen dem Schutz der Anlage vor Beschädigungen oder Zerstörung bei Bandschieflauf und werden paarweise auf beiden Seiten am Ober- oder Untertrum in gefährdeten Bereichen angeordnet. Der Kiepe Schieflaufschalter Typ VG ist konform zur Niederspannungsrichtlinie 2014/35/EU und UKCA Konformität liegt vor. Er hat ein robustes Aluminiumgehäuse und kann mit bis zu 2 Öffnern und 2 Schließern mit Sprungfunktion ausgerüstet werden. Je nach Variante sind bis zu 2 feste Schaltpunkte möglich. Die VG Schieflaufschalter werden in Anlagen mit rauen Betriebsbedingungen eingesetzt, z.B. in: Verlade-, Misch- und Transportanlagen für Schüttgüter; Hüttenwerks-, Stahlwerks- und Gießereianlagen; Bau- und Holzbearbeitungsmaschinen; Kläranlagen.
Hinweis Der Schieflaufschalter darf nur in Steuerkreisen eingesetzt werden.
Korrosiv
- Pulver
- Bedingt geeignet
- Kies
- Bedingt geeignet
- Geröll
- Nicht geeignet
Nicht korrosiv
- Pulver
- Geeignet
- Kies
- Geeignet
- Geröll
- Nicht geeignet
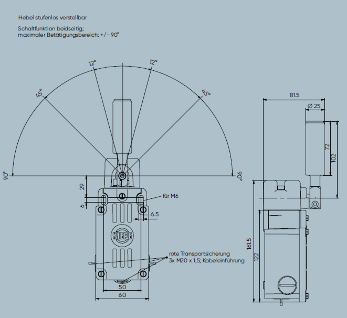
Der Schieflaufschalter Typ VG schaltet, wenn die Betätigungsrolle in Drehrichtung des Rollenhebels vom schieflaufenden Förderband angefahren und ausgelenkt wird. Die Betätigungsrolle besteht aus Polyamid. Die Schaltwinkel sind fix. Bei allen Schaltertypen liegt der Schaltpunkt bei ca. 12° Auslenkung. Schaltervarianten mit Vorwarnung haben zwei Schaltpunkte bei ca. 12° und 45°. Dadurch ist neben der Sicherheitsabschaltung auch eine Vorwarnung realisierbar. Bei korrektem Bandlauf stellt sich der Rollenhebel wieder selbstätig zurück. Die Schalter der Typen VG .../6 rasten bei Überschreiten der zulässigen Auslenkung ein. Die Entriegelung wird vor Ort durch Rückstellen der Betätigungsrolle erreicht.
| Bezeichnung | Schieflaufschalter Typ VG |
|---|---|
| Betätigungsart | Bidirektional (zweiseitig wirkend) über Rollenhebel |
| Erfüllte Vorschriften | DIN EN 60947-5-1 |
| Geeignet für | Steuerkreise nach DIN EN 60204-1 |
| Gehäuse | Aluminium |
|---|---|
| Beschichtung | PU 2K-Lack gelb, RAL 1004 |
| Rollenhebel | PA, ∅ 25mm |
| Befestigung | 2 x M6 |
| Auslenkung Rollenhebel (max.) | +/-90° |
| Gewicht | 0,75 kg |
| Schaltsystem (max.) | 2 Sprungschalter NO/NC, zwangsöffnend |
|---|---|
| Schaltbereich | 12° + 42° (je Variante), fix |
Leitungseinführung (im Lieferumfang enthalten) | 3 x M20 x 1,5; mit roter Transportsicherung verschlossen (1x PA Kabelverschraubung; Dichtbereich Ø 6mm bis Ø 12mm; 2x Verschlussschraube |
| Gebrauchskategorie | AC-15: 250 V; 0,75 A DC-13: 125V; 0,22 A DC-13: 24 V; 2 A |
| Anschlussleitungsquerschnitt (max.) | 2 mm2 |
| Schutzleiteranschluss | Schutzklasse I / Schutzerdung |
| Bemessungsisolationsspannung Ui | 500 V |
| Bemessungsstoßspannungsfestigkeit Uimp | 4 kV, Überspannungskategorie III, Verschmutzungsgrad 2 |
| Thermischer Dauerstrom Ith | 2,5 A |
| Zulässige Umgebungstemperatur | – 25°C… +70°C |
|---|---|
| Gehäuseschutzart (nach EN 60529) | IP65 / IP66 / IP67 |
| Kontaktzuverlässigkeit | > 30.000 Schaltungen bei 100% Ie |
|---|
Schieflaufschalter vom Typ VG [1] werden mit je 2 M6 Schrauben auf einer Unterkronstruktion paarweise befestigt. Bei einem Schieflauf darf der Gurt [2] die seitlichen Führungsrollen [3] nicht verlassen. Die Position der Schieflaufschalter ist so zu wählen, dass die Betätigungsrolle des Schieflaufschalters vom Gurt [2] vorzugsweise senkrecht angefahren wird. Bei normalem Betrieb wird die Betätigungsrolle des Schieflaufschalters nicht berührt. Der Rollenhebel ist austauschbar und kann in den Drehrichtungen auf der Schalterachse frei fixiert werden. Der Kopf mit dem Rollenhebel kann beim Typ VG zusätzlich in 90° Schritten montiert werden. Dadurch ergeben sich mehr Positioniermöglichkeiten. Der elektrische Anschluss erfolgt bei geöffnetem Gerät über die im Lieferumfang enthaltene Kabelverschraubung direkt an den Anschlussverschraubungen der Schaltelemente.
Hinweis Die roten Transportsicherungen müssen vollständig entfernt und durch

Varianten
| Name | Bestellnr. | Gewicht | Kontakte Ö S W | Druckausgleich | Verriegelung | Vorwarnung |
|---|---|---|---|---|---|---|
| VG 03/5 | 95.038 143.501 | 0.8 kg / 1 Stück | 1 1 | |||
| VG 033/5 | 95.038 143.511 | 0.8 kg / 1 Stück | 2 2 | |||
| VG 133/5 Edelstahl-Hebel, Lang | 95.038 143.516 | 0.9 kg / 1 Stück | 2 2 | 12° | ||
| VG 03/6 | 95.038 143.601 | 0.7 kg / 1 Stück | 1 1 | 15° | ||
| VG 033/6 | 95.038 143.611 | 0.9 kg / 1 Stück | 2 2 | 15° | ||
| VG 133/6 | 95.038 143.615 | 0.9 kg / 1 Stück | 2 2 | 45° | 12° | |
| VG 133/63 | 95.038 143.665 | 0.8 kg / 1 Stück | 2 2 | Verfügbar | 45° | 12° |
Downloads
Sie haben eine Frage? Wir sind für Sie da!
Wir freuen uns von Ihnen zu hören. Wir beraten Sie gerne und helfen Ihnen bei der Auswahl des richtigen Produkts.
